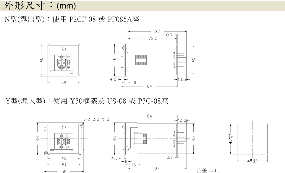
上一個 下一個 限時繼電器 數位式限時繼電器 AH5C 數字型限時繼電器 加入詢問單 開啟詢問單 產品說明 接線與時序圖 外型尺寸或其他 檔案下載 使用數位按鍵設定,無設定誤差。 可藉由指撥開關切換時間範圍,由99.9秒至999秒(或99.9分至999分)。 具有CE認證。 AH5C 產品型錄